中文版 English
TEL:
+86-88781219
Products
Thin oil lubrication
WGXYZA High Low Oil Station
 WGXYZA High low oil station is a oil lubrication deice combined of two parts ; high pressure part is 31.5MPa ,oil output 25L/min; and low pressure part is 0.4MPa ,oil output 16~125 L/min .This station holds units of filter, heater ,cooler etc. and function of safety , auto controller ,alarm etc .It is suitable for oil lubrication system of large scale equipment to lubricate hybrid bearing installed on the miller, rolling machine or electric the machine .Its working medium is industrial oil of N22~N320.According to the principle of dynamic and static pressure ,it uses the high system when the machine in starting , stopping or slow running ; uses the low system when running ordinary , to ensure the lubrication reliable on various speedy of large main machine ,and to prolong its life
Example of order:
A high-low oil station its high pressure is 31.5MPa, output 2.5L/min ,and low pressure is 0.4MPa, output 25L/min
WGXYZ-25A high low oil station 
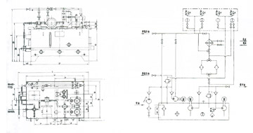
Structure & Principle
This station is consisted mainly of oil tanker (magnetic core mesh filter inner),low pressure pump device ,high pressure pump device ,twin barrel magnetic core mesh filter , heater ,cooler ,manual high pump , pipeline ,valve ,instrument panel ,electric controller etc . 
Before starting main machine ,starts the low pump ,when its low filling pressure reached normal ,stars the high pump which suction port is connected to the pipeline of low pump. The high oil through high check valve flows to the static pressure bearing .When the high pressure reached a curtain value ,starts the main machine ,slow runs or stops. After main machine running normally then stops the high pump (exception the low running ),but the low pump must operate ordinary . The low pump suction oil from tanker ,then sends it pass check valve ,twin barrel mesh filter , cooler to the static pressure bearing too ,to maintain the main machine running ordinary .After stopped main machine ,if want filling oil by high or low pump timely ,can control by time relay to lubricate the point interrupt.
The specific value of high or low pressure is controlled by high-low safety valve in the system.
In the ordinary running of main machine , one low pump is working ,and another one is standing by . As the system pressure down at a value wanted , starts the ready pump , and then stops it while normal . If the pressure downing on still ,must sent an alarm ,and consider stopping the main machine.
When the high plunger pump at fault , can fills oil by manual pump.
Set the filter before the cooler , make the low viscidity oil passes the filter earlier , one filter at working , and another one at standing by , controlled by handle switch valve.
Oil level higher or lower than a limit , are sent alarm by level signal , manual oil filling or stopping .
Back oil passes the magnet mesh filter prepared in the tanker ,and can absorb the iron particulate at same time.
Whole set of oil station is matched an instrument panel and an electric controller , to display operating data and to carry out at automatic , manual or alarm.
A bimetallic electric contact thermometer installed on the tanker , when oil temp is too low sends a signal ,to open the heater by handle ,and stops automatically when reached an appointed temperature.

A electric contact pressure type thermometer installed in the filling port , setting two limits of maximum and minimum temp needed ,to determine the cooler working or not.


Appearance and dimensions:



parameter/type
WGXYZ WGXYZ WGXYZ WGXYZ WGXYZ WGXYZ
16A 25A 40A 63A 100A 125A
low system 
pump type    LBZ-16 LBZ-25 LBZ-40 LBZ-63 LBZ-100 LBZ-125
 output L/min 16 25 40 63 100 125
filling pressure MPa 0.4
 filling ℃ 40±3
motor  type Y90S-4,V1 Y100L1-4,V1 Y112M-4,V1
 power 1.1 2.2 4
 velocity 1400 1400 1440
 tank m3 0.8 1.2 1.6
high system 
 pump type     2.5MCY14-1B    
 output L/min     2.5    
filling pressure MPa 31.5
motor
 type Y112M-6 B35
 power 2.2
 velocity 940
 filter precision mm 0.08
 filter area m2 0.13 0.19 0.40
 cooling area m2 3 5 7
 consume of cooling water m3/h 1 1.5 3.6 5.7 9 11.25
 power of heater kW 3*4 3*4 6*4
 demission mm 1820*1130*1320 1880*1220*1650 /
note the switch differential pressure of all fillter are 0.15MPa

type DN1 DN2 DN3 ND4 L B H L1 B1 H1 L2 L3 L4
WGXYZ-16,-25 10 25 50 25 1650 1230 1500 1330 1080 1000 1250 410 420
WGXYZ-40,-63 25 32 65 32 1800 1430 1550 1480 1280 1050 1400 270 440

L5 L6 L7 L8 B2 B3 B4 B5 B6 B7 H2 H3 H4 H5 H6 H7
100 80 120 280 160 200 180 420 280 360 70 78 285 450 890 1132
140 60 140 300 190 230 200 500 380 400 120 110 285 500 930 1182

lwo pressure system
pump type output L/min pressure MPa motor

type

power kW velocity rpm
LBZ-25 25 0.4 Y90S-4,V1 1.1 1400

high pressure system
pump type output L/min pressure MPa motor

type

power kW velocity rpm
2.5MCY14-1B 2.5 31.5 Y112M-6,B35 2.2 940

filling
temperature

cooling system

tanker
vjolume
m3
filter
area
m2
filter
percision
mm
power of
heater
kW
cooling
area m2
water
temperature ℃
pressure MPa water
consume m3/h
40±3 3 ≤30

0.2≤0.4

1.5 0.8 0.19 0.05 3*4

1.pressure controller(2 each of high , low)

2.pressure gage(1 each of high , low) 

3.pressure gage switch 

4.pressure interface of pump 

5.pressure interface of filling 

6.differential pressure interface of filter 

7.duplex pressure gage 

8.electric contact pressure thermometer 

9.pressure interface of high pressure


lwo pressure system
output L/min pressure MPa motor

type

power kW velocity rpm
63 0.4 Y132S-4,V1 5.5 1400

high pressure system
output L/min pressure MPa motor

type

power kW velocity rpm
2.5 31.5 Y112M-6,B35 2.2 940

filling
temperature℃

cooling system

tanker
vjolume
m3
filter
area
m2
filter
percision
mm
power of
heater
kW
cooling
area
m2
water
temperature
pressure MPa water
consume
m3/h
40±3 3 ≤30

0.2≤0.4

1.5 0.8 0.19 0.05 3*4
Inquiry

Copyright © Wenzhou Zhonghe Lubrication Equipment Manufacturing Co., Ltd. INC. ALL RIGHTS RESERVED.

浙ICP备11048852号 Technical Support:lianke

Sweep with WeChat

Experience mobile website

Online Consultation

Working Day:9:30-21:00
Weekend:10:00-17:00

Online Consultation

Please leave a message
*

Title

*

Name

*

Tel

*

E-mail

*