Products
Thin oil lubrication
WDXF Check Valve
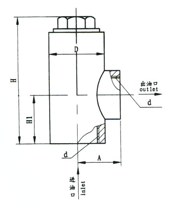
WDXF Check valve is used in oil lubrication system to prevent backflow of oil. Applied media oil viscidity is 22~460mm2/s.
Appearance and dimensions:

| type |
DN mm |
d | D | H1 | H | A |
weight kg |
| WDXF-10 | 10 | G3/4 | 40 | 30 | 100 | 35 | 1.2 |
| WDXF-15 | 15 | G1/2 | 40 | 40 | 110 | 32 | 1.2 |
| WDXF-25 | 25 | G1 | 50 | 45 | 115 | 40 | 1.8 |
| WDXF-32 | 32 | G11/4 | 55 | 55 | 120 | 45 | 2.0 |
| WDXF-40 | 40 | G11/4 | 60 | 55 | 120 | 52 | 2.2 |
Example of order: A Gheck valve its DN is 32:
WDXF-32 Check valve JB/ZQ 4595-1997
Prev:WDXF Check Valve
Next:WYX2 Oil Tanker






