Products
Thin oil lubrication
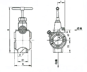
WGZQ Metering Indicator
WGZQ Metering indicator is used in the oil lubrication system to observe the situation of metering in the lube point and to adjust the oil capacity. Applied media oil viscidity is 22~460mm2/s.
Appearance and dimensions:

| type |
DN mm |
d | D | B | A1 | A | H | H1 | D1 |
weight kg |
| WGZQ-10 | 10 | G3/8 | 65 | 58 | 35 | 32 | 142 | 45 | 32 | 1.4 |
| WGZQ-15 | 15 | G1/2 | 65 | 58 | 35 | 32 | 142 | 45 | 32 | 1.4 |
| WGZQ-20 | 20 | G3/4 | 50 | 60 | 28 | 30 | 150 | 60 | 41 | 2.2 |
| WGZQ-25 | 25 | G1 | 50 | 60 | 28 | 38 | 150 | 60 | 41 | 1.0 |
Emample of order:A Metering indicator its DN is 15:
WGZQ-15 metering indicator JB/ZQ 4597-19971
Prev:WYXQ Oil-flow Signal
Next:WDXF Check Valve






