WJPQ-K 递进分配器是由片式组合而成的用于递进式干油集中润滑系统中的油脂分配元件,可定量地将润滑脂分配到各润滑点。其结构特点如下:
1、分配器为单柱塞多片组合块,每片有二个给油口,分WJPQ 1、WJPQ 2、WJPQ 3和WJPQ 4等四种型式。
2、每种型式分配器一般按额定给油量相等的单片组合,需要时也可定给油量不同的单片混合组合。
3、WJPQ 4-型组合时需有一片控制片,此片无给油口。
4、相邻的二个或二个以上的给油口可以合并成一个给油口给油,此给油器的给油量为所被合并给油口的额定给油量之和
5、WJPQ 1、WJPQ 2型分配器在系统中串联使用,WJPQ 3、WJPQ 4并联使用。
6、分配器均装有一个运动指示杆,用以观察分配器工作情况。根据需要还可以安装限位开关,给润滑系统进行监视和控制。
7、WJPQ 2、WJPQ 4型分配器根据需要可安装超压指示器。
| 型号 | 公称压力 MPa | 每出油口额定给油量 ※ ml/cyc | 组合片数 | 给油口数 |
| □WJPQ1-K※ | 16 | 0.07,0.1,0.2,0.3 | 3~12 | 6~24 |
| □WJPQ2-K※ | 0.5,1.2,2.0 | |||
| □WJPQ3-K※ | 0.07,0.1,0.2,0.3 | |||
| □WJPQ4-K※ | 0.5,1.2,2.0 | 4~8 | 6~14 |
适用介质:针入度 220(25℃,150g)1/10mm的润滑脂或粘度等级大于68cSt的润滑油。
环境温度:-20~+80℃。 Ambient temperature: -20~+80℃.
标志示例:公称压力为16MPa,6个出油口,每个出油口额定给油量为2ml/循环的JPQ2型递进分配器;6 WJPQ 2-K 分配器 JB/T 8462-96
注:同种型式、额定给油量不同的单片混合或多个出油口合并给油,订货时须另行说明。
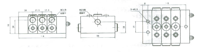
WJPQ1,WJPQ3型外形尺寸
| 出油口数 number | 6 | 8 | 10 | 12 | 14 | 16 | 18 | 20 | 22 | 24 |
| 片数 number | 3 | 4 | 5 | 6 | 7 | 8 | 9 | 10 | 11 | 12 |
| H mm | 48 | 64 | 80 | 96 | 112 | 128 | 144 | 160 | 176 | 192 |
| 重量 kg | 0.9 | 1.2 | 1.5 | 1.7 | 2.0 | 2.3 | 2.5 | 2.8 | 3.1 | 3.3 |

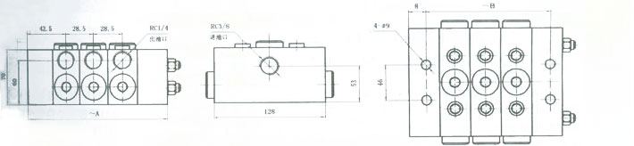
WJPQ2 型外形尺寸
| 出油口数 number | 6 | 8 | 10 | 12 | 14 | 16 | 18 | 20 | 22 | 24 |
| 片数 number | 3 | 4 | 5 | 6 | 7 | 8 | 9 | 10 | 11 | 12 |
| H mm | 75 | 100 | 125 | 150 | 175 | 200 | 225 | 250 | 275 | 300 |
| 重量 kg | 3.5 | 4.5 | 5.5 | 6.5 | 7.5 | 8.5 | 9.5 | 10.5 | 11.5 | 12.5 |

WJPQ4 型外形尺寸
| 出油口数 number | 8 | 10 | 12 | 14 | 16 |
| 片数 number | 4 | 5 | 6 | 7 | 8 |
| H mm | 100 | 125 | 150 | 175 | 200 |
| 重量 kg | 4.5 | 5.5 | 6.5 | 7.5 | 8.5 |







