WGXYZA高低压稀油站
WGXYZA高低压稀油站的高压部分压力为31.5MPa,流量为25L/min;低压部分压力为0.4MPa,流量为16~125 L/min。稀油站具过滤、加热、冷却等装置和安全、自控、报警等功能。本油站适用于装有动静压轴承的磨机、轧钢机、电机等大型设备的稀油循环润滑系统中,其工作介质为N22~N320的各种工业润滑油。根据动静压润滑工作原理,在启动、低速和停车时用高压系统,正常运行时用低压系统,以保证大型机械在各种不同转速运行下均能获得可靠的润滑并能延长主机寿命。
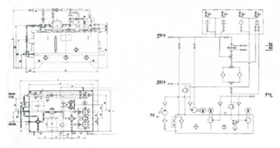
主要结构和工作原理
本油站主要由油箱(内装磁网过滤器)、低压油泵装置、高压油泵装置、双筒网片式过滤器、冷却器、手动高压油泵、管道、阀门、仪表盘和电控柜等组成。
主机启动前、先启动低压泵,当低压供油压力正常后,再启动其吸口联于低压管道上的高压泵,高压油经高压单向阀送往静压轴承,当高压达到一定值时,主机就可启动、低速运行或停车。主机运转正常后,就可以停止高速泵(低速运行除外),但低压油泵必须正常代供油。低压泵从油箱吸油后经单向阀、双筒网式过滤器、冷却器后亦送往静压轴承,维护主机正常运行。如果,主机停机后尚要由高压泵和低压泵定时供油,则由时间继电器时行控制其向润滑点断续供油。
高低压力的具体数值分别由系统中的高低压安全阀控制。
主机正常运行时,低压泵一台工作,一台备用。若用系统压力下降到某值时,启动备用泵投入运行,达到正常压力后备用泵停止。若备用泵启动后压力仍下降到某一更低值时,启动备用泵投入运行,达到正常压力后备用泵停止。若备用泵启动后压力仍下降到某一更低值时,就应发出报警记号,考虑主机停车。
高压柱塞泵有故障时,可由备用手动泵供油。
过滤器置于冷却器前,使粘度较小的油先通过过滤器,以提高过滤效果。过滤器一台工作,一台备用,由手动切换阀控制。
油箱位超过高、低限位时,由油位记号器发讯,人工加油或停止加油。 回油经油箱内的磁网过滤器,并能吸除油中的铁质微粒。
本油站主要由油箱(内装磁网过滤器)、低压油泵装置、高压油泵装置、双筒网片式过滤器、冷却器、手动高压油泵、管道、阀门、仪表盘和电控柜等组成。
主机启动前、先启动低压泵,当低压供油压力正常后,再启动其吸口联于低压管道上的高压泵,高压油经高压单向阀送往静压轴承,当高压达到一定值时,主机就可启动、低速运行或停车。主机运转正常后,就可以停止高速泵(低速运行除外),但低压油泵必须正常代供油。低压泵从油箱吸油后经单向阀、双筒网式过滤器、冷却器后亦送往静压轴承,维护主机正常运行。如果,主机停机后尚要由高压泵和低压泵定时供油,则由时间继电器时行控制其向润滑点断续供油。
高低压力的具体数值分别由系统中的高低压安全阀控制。
主机正常运行时,低压泵一台工作,一台备用。若用系统压力下降到某值时,启动备用泵投入运行,达到正常压力后备用泵停止。若备用泵启动后压力仍下降到某一更低值时,启动备用泵投入运行,达到正常压力后备用泵停止。若备用泵启动后压力仍下降到某一更低值时,就应发出报警记号,考虑主机停车。
高压柱塞泵有故障时,可由备用手动泵供油。
过滤器置于冷却器前,使粘度较小的油先通过过滤器,以提高过滤效果。过滤器一台工作,一台备用,由手动切换阀控制。
油箱位超过高、低限位时,由油位记号器发讯,人工加油或停止加油。 回油经油箱内的磁网过滤器,并能吸除油中的铁质微粒。
稀油站成套供货时配有仪表和电控箱,用以运行参数和实现稀油站的自控、手控或报警。
油箱上装有双金属电接点温度计,油温过低时发出记号,人工接通电加热器,达到指定温度后,自动切断电加热器。 供油口装有电接点压力式温度计,根据所需供油温度,调好至高至低二个界限,用以控制冷却器使用与否。
油箱上装有双金属电接点温度计,油温过低时发出记号,人工接通电加热器,达到指定温度后,自动切断电加热器。 供油口装有电接点压力式温度计,根据所需供油温度,调好至高至低二个界限,用以控制冷却器使用与否。
外观与外形尺寸
| 参数/型号 |
WGXYZ | WGXYZ | WGXYZ | WGXYZ | WGXYZ | WGXYZ | ||
| 16A | 25A | 40A | 63A | 100A | 125A | |||
| 低压系统 |
泵装置型号 | LBZ-16 | LBZ-25 | LBZ-40 | LBZ-63 | LBZ-100 | LBZ-125 | |
| 流量 L/min | 16 | 25 | 40 | 63 | 100 | 125 | ||
| 供油压力 Mpa | 0.4 | |||||||
| 供油温度 ℃ | 40±3 | |||||||
| 电机 |
型号 | Y90S-4,V1 | Y100L1-4,V1 | Y112M-4,V1 | ||||
| 功率 | 1.1 | 2.2 | 4 | |||||
| 转速 | 1400 | 1400 | 1440 | |||||
| 油箱容积 m3 | 0.8 | 1.2 | 1.6 | |||||
| 高压系统 |
泵装置型号 | 2.5MCY14-1B | ||||||
| 流量 L/min | 2.5 | |||||||
| 供油压力 Mpa | 31.5 | |||||||
| 电机 |
型号 | Y112M-6 B35 | ||||||
| 功率 | 2.2 | |||||||
| 转速 | 940 | |||||||
| 过滤精度 mm | 0.08 | |||||||
| 过滤面积 m2 | 0.13 | 0.19 | 0.40 | |||||
| 冷却面积 m2 | 3 | 5 | 7 | |||||
| 冷却水耗量 m3/h | 1 | 1.5 | 3.6 | 5.7 | 9 | 11.25 | ||
| 电加热功率 kW | 3*4 | 3*4 | 6*4 | |||||
| 外形尺寸 mm | 1820*1130*1320 | 1880*1220*1650 | / | |||||
| 备注 | 全部过滤器切换压差为 0.15MPa | |||||||
| 型号 | DN1 | DN2 | DN3 | ND4 | L | B | H | L1 | B1 | H1 | L2 | L3 | L4 |
| WGXYZ-16,-25 | 10 | 25 | 50 | 25 | 1650 | 1230 | 1500 | 1330 | 1080 | 1000 | 1250 | 410 | 420 |
| WGXYZ-40,-63 | 25 | 32 | 65 | 32 | 1800 | 1430 | 1550 | 1480 | 1280 | 1050 | 1400 | 270 | 440 |
| L5 | L6 | L7 | L8 | B2 | B3 | B4 | B5 | B6 | B7 | H2 | H3 | H4 | H5 | H6 | H7 |
| 100 | 80 | 120 | 280 | 160 | 200 | 180 | 420 | 280 | 360 | 70 | 78 | 285 | 450 | 890 | 1132 |
| 140 | 60 | 140 | 300 | 190 | 230 | 200 | 500 | 380 | 400 | 120 | 110 | 285 | 500 | 930 | 1182 |
| 低压系统 | |||||
| 泵装置型号 |
流量 L/min | 压力 Mpa | 电动机 | ||
|
型号 |
功率 kW | 转速 rpm | |||
| LBZ-25 | 25 | 0.4 | Y90S-4,V1 | 1.1 | 1400 |
| 高压系统 | |||||
| 泵装置型号 |
流量 |
压力 |
电动机 | ||
|
型号 |
功率 kW | 转速 rpm | |||
| 2.5MCY14-1B | 2.5 | 31.5 | Y112M-6,B35 | 2.2 | 940 |
|
供油温度 ℃ |
冷却系统 |
油箱容积 m3 | 过滤面积 m2 | 过滤精度 mm | 电热功率 kW | |||
| 冷却面积 m2 | 冷却水温 ℃ | 水压 Mpa | 水耗量 m3/h | |||||
| 40±3 | 3 | ≤30 |
0.2≤0.4 |
1.5 | 0.8 | 0.19 | 0.05 | 3*4 |
高低压稀油站仪表盘(图)
- 压力控制器(高低压各2)
- 压力表(高低压各1)
- 压力表开关
- 油泵压力接口
- 供油压力接口
- 滤油压差接口
- 双针双管压力表
- 电接点压力温度计
- 高压压力接口
| 低压系统 | ||||
| 流量 L/min | 压力 Mpa | 电动机 | ||
|
型号 |
功率 kW | 转速 rpm | ||
| 63 | 0.4 | Y132S-4,V1 | 5.5 | 1400 |
| 高压系统 | ||||
| 流量 L/min | 压力 Mpa | 电动机 | ||
|
型号 |
功率 kW | 转速 rpm | ||
| 2.5 | 31.5 | Y112M-6,B35 | 2.2 | 940 |
| 供油温度 ℃ |
冷却系统 |
油箱容积 m3 | 过滤面积 m2 | 过滤精度 mm | 电热功率 kW | |||
| 冷却面积 m2 | 冷却水温 ℃ | 水压 Mpa | 水耗量 m3/h | |||||
| 40±3 | 3 | ≤30 |
0.2≤0.4 |
1.5 | 0.8 | 0.19 | 0.05 | 3*4 |
标志示例: 高压为31.5MPa,流量为2.5L/min,低压为0.4MPa,流量为25L/min的高低压稀油站;WGXYZ-25A 高低压稀油站
Prev:WXHZ稀油润滑装置






