WSGZ-8手动润滑泵(6.3MPa)
WSGZ-8手动润滑泵是手动柱塞式油泵, 在小型干油集中润滑系统中作为向给油器供送润滑脂之用,可与给油器、喷射阀等元件组成双线式、双线喷射式干油集中润滑系统,特别适宜于润滑点数量不多,润滑间隔时间较长(四小时以上)的单台机器或设备上
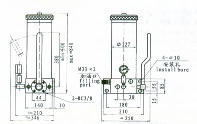
外观与外形尺寸

| 型号 | 公称压力 MPa | 公称流量 ml/cyc | 贮油筒容积 L | 重量 kg |
| WSGZ-8 | 6.3 | 8 | 3.5 | 24 |
适用介质:针入度≧265(25℃,150g)1/10mm的润滑脂。环境温度,0~+40℃。
Prev:WDXZ 电动干油站(10MPa)






